[33+] Volvo 240 Instrument Cluster Wiring Diagram, Volvo 240 Instrument Cluster Wiring Diagram - Complete Wiring Schemas

Volvo 240 Instrument Cluster Wiring Diagram Volvo Instrument Cluster Wiring Diagram 1997 960 System Diagrams

Volvo diagram harness dave wiring wire engine

1995 volvo 850 2.3l fi turbo dohc 5cyl. Volvo 240 instrument cluster wiring diagram. Temperature gauge wiring diagram. Volvo instrument cluster wiring diagram 1997 960 system diagrams

Ac Under Dash Wiring Diagram

Ac Under Dash Wiring Diagram

Vdo Digital Sdometer Wiring Diagram - Complete Wiring Schemas

Vdo Digital Sdometer Wiring Diagram - Complete Wiring Schemas

Volvo 850 instrument panel service repair manual

Volvo 850 instrument panel service repair manual

Volvo 240 Instrument Cluster Wiring Diagram - Complete Wiring Schemas

Volvo 240 Instrument Cluster Wiring Diagram - Complete Wiring Schemas

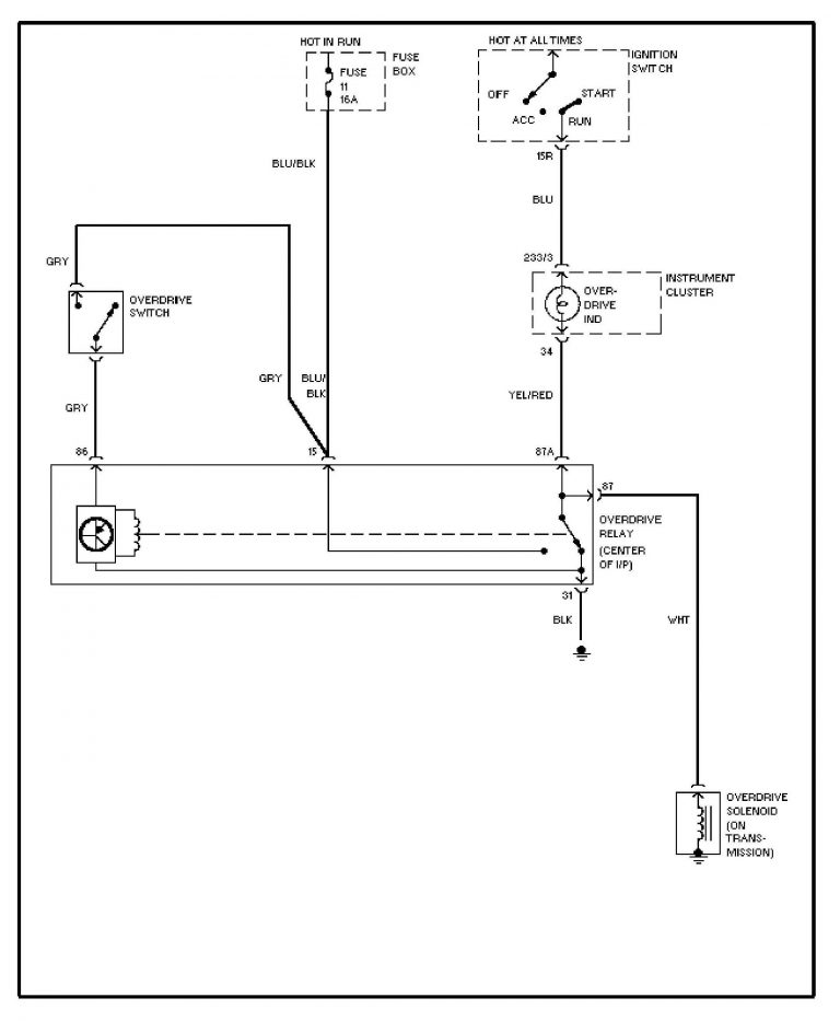
Volvo 240 (1993) - wiring diagrams - overdrive circuit - Carknowledge.info

Volvo 240 (1993) - wiring diagrams - overdrive circuit - Carknowledge.info

Komentar

Postingan populer dari blog ini

[39+] Honda Sp 125 Bs6 Wiring Diagram Pdf, Pin On Honda 125

[39+] Hyundai Vorlage, Schaltplan Hyundai I10 Zentralverriegelung